
Ապրանքի մանրամասն նկարագրություն
| Առավելություն: | Բարձր արագություն | Պիտակավորման արագությունը. | 60-200 հատ / րոպե |
|---|---|---|---|
| Գործառույթը: | Կպչուն պիտակի պիտակավորում | Նյութ: | Չժանգոտվող պողպատ |
| Շշի տեսակը: | Ավտոմատ կլոր շշերի պիտակով բանկա | Դիմում: | Կլոր տարայի բոլոր տեսակների համար |
| Plc ապրանքանիշը: | MITSUBISHI ((ապոնիա | Servo պիտակավորման շարժիչ: | DELTA (Թայվան |
կարմիր գինու պիտակավորման մեքենա ապակե գինու շշի պիտակավորման մեքենա, PLC կառավարման համակարգ MITSUBISHI ապրանքանիշի պիտակավորման մեքենա
Հատկություններ:
1. Գործողություն. PLC կառավարման համակարգը պիտակավորման մեքենան դյուրին է դարձնում գործելու համար
2. Նյութ. Պիտակավորման մեքենայի հիմնական մարմինը պատրաստված է SUS304 չժանգոտվող պողպատից
3. Կազմաձևում. Մեր մակնշման մեքենաներն ընդունում են ճապոնական, գերմանական, ամերիկյան, կորեական կամ թայվանական ապրանքանիշերի հայտնի մասեր
4. Fկունություն. Հաճախորդը կարող է ընտրել տպիչ և կոդավորող սարք: կարող է ընտրել հաղորդակցիչի հետ կապվելը, թե ոչ:
Տեխնիկական պարամետրեր.
| Անուն | Ավտոմատ կլոր գինու շիշ ՝ բարձր արագությամբ թևի համար, կլոր շշերի պիտակավորման մեքենայի համար |
| Պիտակավորման արագություն | 60-350 հատ / րոպե |
| Օբյեկտի բարձրությունը | 30-350 մմ |
| Օբյեկտի հաստությունը | 20-120 մմ |
| Պիտակի բարձրությունը | 5-180 մմ |
| Պիտակի երկարությունը | 25-300 մմ |
| Ներքին տրամագծի պիտակի գլան | 76 մմ |
| Label Roller Outside Diameter | 420 մմ |
| Պիտակավորման ճշգրտություն | ± 1 մմ |
| Էլեկտրաէներգիայի մատակարարում | 220 Վ 50/60 Հց 3.5 ԿՎտ |
| Տպիչի գազի սպառում | 5 կգ / մ 2 (եթե ավելացնեք կոդավորող մեքենա) |
| Պիտակավորման մեքենայի չափը | 2800 (Լ) × 1650 (Վտ) × 1500 (Հ) մմ |
| Պիտակավորման մեքենայի քաշը | 180 կգ |
Կազմաձևում
| Ոչ | Մաս | ապրանքանիշը | քանակը |
| 1 | PLC | MITSUBISHI (Japanապոնիա) | 1 |
| 2 | Հիմնական փոխարկիչ | DANFOSS (Դանիա) | 1 |
| 4 | ՀՄԻ | WEINVIEW (Թայվան) | 1 |
| 5 | Servo պիտակավորման շարժիչ | ԴԵԼՏԱ (Թայվան) | 1 |
| 6 | Servo մակնշման շարժիչի վարորդ | ԴԵԼՏԱ (Թայվան) | 1 |
| 7 | Փոխակրիչ շարժիչ | HY (Թայվան) | 1 |
| 8 | Փոխակրիչ շարժիչի փոխանցումատուփ | HY (Թայվան) | 1 |
| 9 | Շիշի շարժիչը բաժանող | GPG (Թայվան) | 1 |
| 10 | Շիշի շարժիչի փոխանցումատուփը բաժանող | GPG (Թայվան) | 1 |
| 11 | Շիշը բաժանող շարժիչի արագության կարգավորիչը | GPG (Թայվան) | 1 |
| 12 | Խոսեց շարժիչ | GPG (Թայվան) | 1 |
| 13 | Խոսեց շարժիչի փոխանցումատուփի մասին | GPG (Թայվան) | 1 |
| 14 | օբյեկտը հայտնաբերում է կախարդական աչքը | ՕՄՐՈՆ (Japanապոնիա) | 1 |
| 15 | օպտիկական մանրաթել | ՕՄՐՈՆ (Japanապոնիա) | 1 |
Մեքենայի մանրամասները.

32 հիմնական պիտակավորման մեքենայի մասեր

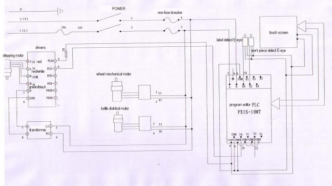
Շղթայի դիագրամ

ՀՏՀ:
1. պիտակը ստանում է փուչիկները
Պատճառները.
Board կեղևից տախտակը լավ չէ / հարթ չէ;
② հերկի տախտակը լավ չէ / հարթ չէ;
③ պիտակավորման արտադրանքը չափազանց արագ է կամ հավաքման գծի արագությունը չափազանց ցածր է.
④ պիտակը չափազանց թուլացել է
Լուծումներ.
① փոխել տափակ կեղևը տախտակից.
② փոխել հարթ հերկի տախտակ;
③ դանդաղեցնել պիտակավորման ելքի արագությունը կամ բարձրացնել հավաքման գծի արագությունը.
④ ճիշտ ազդել պիտակի գոտու վրա:
Պիտակ: արդյունաբերական մակնշման մեքենա, ապակե շշերի պիտակավորման մեքենա









